5 Wire Blower Motor Wiring Diagram Ac Condenser Fan Motor Wiring Diagram 4 Wire Beautiful For New 7 – Car
Wiring blower motor speed diagram fan wire help switch heat ceiling electric i0 doityourself database yellow relay whichway heating pumps. Fuses resitor. Wiring blower
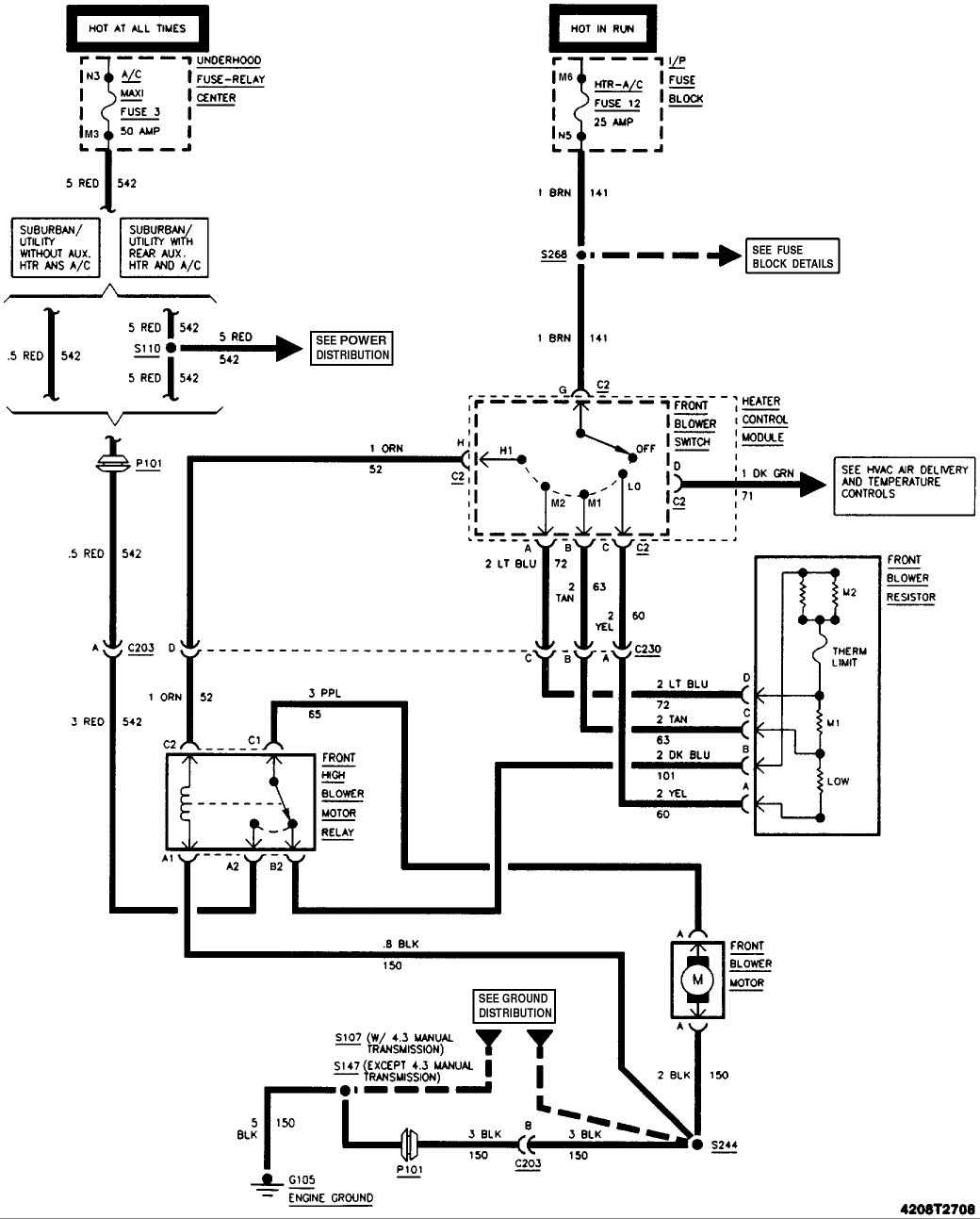
5 wire blower motor wiring diagram
Download PDF
Mars 10585 blower motor wiring diagram


Blower wiring motor replacement tara. Mars 10458 wiring diagram. Blower wire motor. Wiring blower
[DIAGRAM] Blower Motor Has No Power Part Is New As Well As The Resitor
3 speed blower motor wiring help - DoItYourself.com Community Forums
Wiring a new blower motor | DIY Home Improvement Forum
Ac Condenser Fan Motor Wiring Diagram 4 Wire Beautiful For New 7 – Car
Blower Motor Replacement Wiring - HVAC - DIY Chatroom Home Improvement

No comments:
Post a Comment