Nissan Wiring Diagrams Nissan Rogue Wiring Diagram
Wiring diagram i1004 photobucket st forums nissan. Ipdm wiring titan nissan. Nissan wiring diagram by rickfihoutab1974 on deviantart
nissan wiring diagrams
Download PDF
Nissan b14 ecu pinout


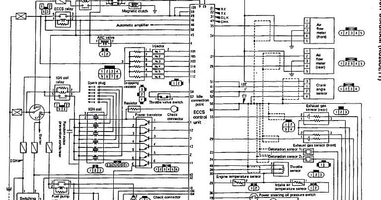
Nissan electrical schematics #3 in 2021. Nissan skyline gt-r eccs wiring diagram. Diagram wiring nissan skyline ecu engine eccs control gt. Wiring diagram for nissan sentra gxe 1995: wiring problem,
Subwoofer Wiring Diagrams Dual Voice Coil Free Diagram For 1 Ohm
Wiring Diagram for Nissan Sentra Gxe 1995: Wiring Problem,
nissan wiring diagram by rickfihoutab1974 on DeviantArt
42 Nissan 28185 Wiring Diagram - Wiring Diagram Harness Info
wiring diagram for a ST - Nissan Forum | Nissan Forums

No comments:
Post a Comment